1.550 rsd
Kôd2233
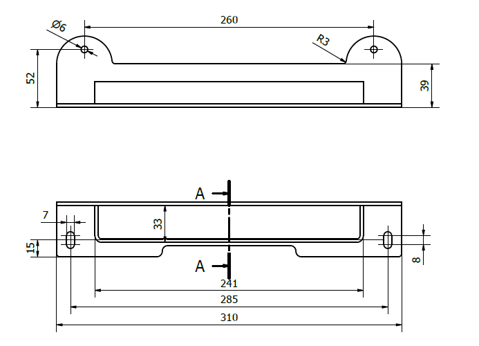
Dimenzija: 310x65 mm #3.0mm







